Welcome to the Onshape forum! Ask questions and join in the discussions about everything Onshape.
First time visiting? Here are some places to start:- Looking for a certain topic? Check out the categories filter or use Search (upper right).
- Need support? Ask a question to our Community Support category.
- Please submit support tickets for bugs but you can request improvements in the Product Feedback category.
- Be respectful, on topic and if you see a problem, Flag it.
If you would like to contact our Community Manager personally, feel free to send a private message or an email.
Best Of
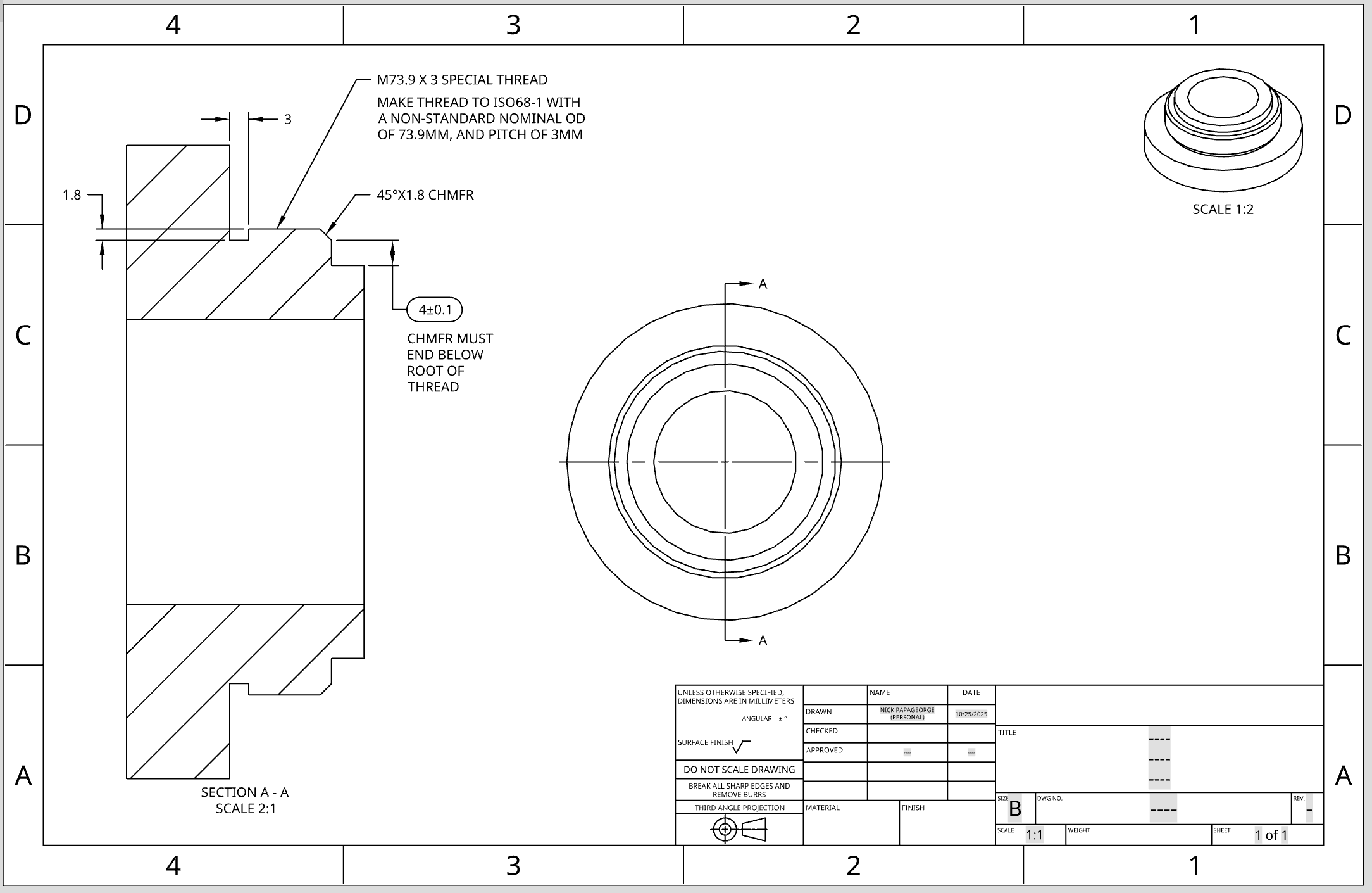
Re: designing big threads for manufacturing - help needed please
I'd do it like this. And I'd communicate with the vendor on the phone/email/website your thread and chamfer intention.
The OD of the thread in the model is drawn at 73.9. The thread depth of a 3mm pitch thread is 1.62mm, so the chamfer and the thread relief are both drawn at 1.8mm depth to get under the root of the thread slightly. The only thing missing is the class of fit. Class of fit is often left off the drawing, but since you are making a bastard thread, you might want to look into it and include it. You can read more about metric thread profiles here: https://en.wikipedia.org/wiki/ISO_metric_screw_thread
That said, I'd recommend redesigning your part to use a standard thread. Bastard threads are the whole reason thread standards exist today.
The more I think about this, since it is a bastard thread, you might get a part back that doesn't fit the mating piece. How are you making the mating piece? You're asking for trouble IMO.
Link:
Re: Why can't I get Transform Tool To Show on the RIght Click Menu?
Re: Home projects show and tell
I switched my dad to a new glucose meter that is phone based. The phone in normal mode is too difficult for him to use (he's 91 and has memory issues). I made a case for my old iPhone 12 Mini with only a singe button, and programmed the phone so that when that button is pressed, it shows his glucose level, and the button doesn't do anything else. All the other buttons are blocked.
Link:
https://cad.onshape.com/documents/d374847f1f65f74720caca79/v/a66e4541502ea9045e2dd60f/e/c09557342429defa31403ec6
Grooves added to the back for a non-slip surface. Text added as it doesn't function as a phone if anyone comes across it. Also for dad as he forgets what it is sometimes.
Fuzzy skin added to sides for better holding.
Button works on a living hinge.
Re: How to merge different tab togheter?
You've got a couple of options. You could use Derive to bring the chess pieces into the case Part Studio then Boolean Subtract. Or, put all of the parts together in an assembly and edit the case in-context for your Boolean Subtract.
Re: Feature/Entities variables
.
Sounds like your on the right track. With practice, you will naturally learn how to have best practices that maintain entity identities. I recommend completing all of the Learning Pathways if you plan on using Onshape often. You will become much faster and avoid costly technical debt.
You can use the Property / Attribute custom feature to set the Identity of a face or edge. This will manually set the identity of the entity for downstream stability within that part studio. Note that the moment you leave the context of that part studio, for example a Derive, the identity will be different.
There are a few other worflows using that feature which allow for some neat automation.
Property / Attribute custom feature
https://forum.onshape.com/discussion/comment/115249…
See the Query Finder, for another way to automate or stabilize selections. Unfortunately, there is not a way to do this with all the native features, only ones that have the query finder built into them.
.
Re: Onshape started to extrude surface not a solid object from sketch.
I think it's normal for Onshape to retain the previous selection in a following repeated feature. - Scotty
Re: Onshape started to extrude surface not a solid object from sketch.
This does highlight a really basic usability thing that drives me nuts. If you've accidentally selected the edges of the sketch instead of the face, you can't easily switch from extruding a surface to extruding a solid. You have to clear the selection and reselect the face. It seems really counter-intuitive to have to do this.
S1mon
Re: Don't know how to delete a post
I'm not sure you can, so maybe share the problem and your solution instead?
Re: Render Battle #7 - Halloween 2025 🎃 (Open Division: any render platform! 📸)
I make the SHAPEY as the trophy for the winner of the battle. I can 3d print the base and SHAPEY with a laser cut tag to mount to the base.
@MichaelPascoe let me know if we want to move forward.












